Каталог
- !Распродажа
- IP видеонаблюдение
- HD видеонаблюдение
- Аналоговое видеонаблюдение
- Сетевое оборудование
- Персональные видеорегистраторы
- Видеонаблюдение в транспорте
- Алкотестеры для проходных и систем контроля доступа
- Видеонаблюдение для банкоматов
- Видеодомофоны
- Мониторы
- Тестовые мониторы
- Контроль и управление доступом (СКУД)
- Пульты управления
- Термокожухи, кронштейны
- Источники питания
- Аудиорегистрация
- Передатчики сигналов, усилители и пр.
- Устройства грозозащиты
- Жесткие диски
- Разъемы, коннекторы
- Объективы
- Архивные модели
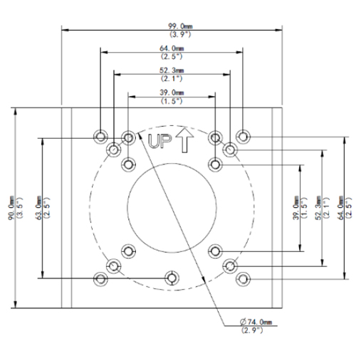
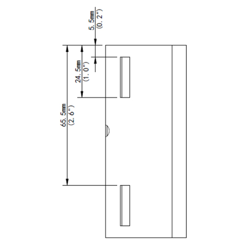
Uniview TR-UP06-B-IN | UNV (Uniview)
TR-UP06-B-IN | Uniview: Кронштейн для установки камер на столб
Крепление на опору для установки камер серии IPC22X, IPC24X, IPCB1XX, диаметр опоры 67-127 мм, материал алюминий/сталь, 99x90x38 мм, 0.2 кг.
Документация:




