Прайс листы
Тел. +375 (17) 3-616-444
Факс +375 (17) 3-616-555
A1 +375 (29) 6-166-155
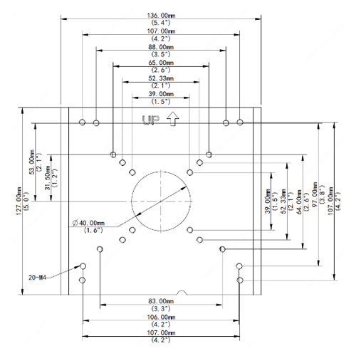
Uniview TR-UP06-C-IN | UNV (Uniview)
 
TR-UP06-C-IN | Uniview: Крепление на опору для установки камер
 
Крепление на опору для установки камер серии IPC23XX OEM, IPC23XX/22X, IPC74X, IPC252/26X, IPCB1XX, диаметр опоры 67-127 мм, материал алюминий, 127x136x62 мм, 0.34 кг.
 
 
 
 
 
Документация: